Turning modular belt conveyor
Product Case




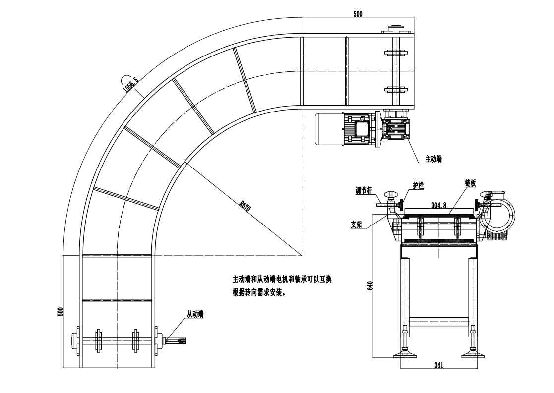
Product parameters
Frame material | Stainless steel/Aluminium profile |
Machine length | 1000mm to 3000mm(Customized) |
Conveyor Width | 100mm to 1000mm (Customized) |
Conveyor Height | 500mm to 6000mm (Customized) |
Material | POM/PP/PE |
Color | White,blue ,customized |
Speed | 0-30m/min (Customized speed is adjustable) |
Voltage | 220V/380V 50Hz |
Power | 500W |


It can be equipped with a photoelectric sensor according to the needs, which can detect the change of the light intensity it
receives, and realize the control function by converting the change of the light intensity into the change of the electricalsignal.
Product Introduction
1. The modular conveyors are suited for environments in wet facilities where washdown is required and minimal floor space.Not easy to crack and wear.It is suitable for drying, dehumidification, freezing, heat treatment and other steps in various food processing industries
2. The belt conveyors has the characteristics of large conveying capacity, long conveying distance, stable conveying, no relative movement between the material and the conveyor belt, low noise, simple structure, convenient maintenance, low energy consumption, and standardized components.
3. The inclined slat plate conveyor customized is used to convey bean sprouts. The slat chain can be washed and is suitable for a hygienic environment. It is equipped with movable casters for easy movement.




